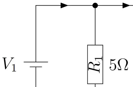
How do I display "R_1" INSIDE the resistor, AND showing the value outside the resistor?
\documentclass[]{standalone}
\usepackage{circuitikz, siunitx}
\begin{document}
\begin{circuitikz}[european]
\draw
(0,0) to [short, i=\(I_1\), -*] (1,0)
to [short, i=\(I_3\)] ++ (1,0)
to [R, l=\(R_2\), label=\(\SI{10}{\ohm}\)] ++ (2,0)
to [short, -*] ++ (1,0)
to [short, i=\(I_5\)] ++ (1,0);
\draw
(0,0) to [battery1, l_=\(V_1\)] ++ (0,-3);
\draw
(5,0) to [R, l=\(R_3\), label=\(\SI{2}{\ohm}\)] ++ (0,-2)
to [short, i=\(I_4\), -*] ++ (0,-1)
to [short] ++ (1,0)
to [battery1, l_=\(V_2\)] ++ (0,3);
\draw
(5,-3) to [short, i=\(I_6\)] ++ (-5,0);
\draw
(1,0) to [R, l=\(R_1\), label=\(\SI{5}{\ohm}\) ] ++ (0,-2)
to [short, i=\(I_2\), -*] ++ (0,-1)
to [short] ++ (-1,0);
\end{circuitikz}
\end{document}



l=anda=for the external text, and manually add the text nodes at the center as shown there. – Rmano Mar 03 '24 at 17:58