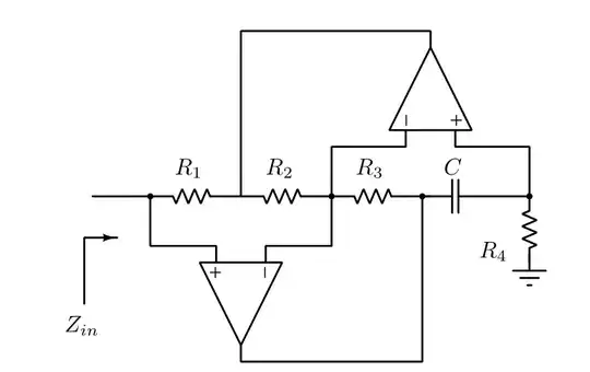
These generalized impedance converters (GIC) are always intimidating because of the weird op-amp arrangement. I have used the fast analytical circuits techniques or FACTs to solve this circuit: determine the time constants in two different conditions (zeroed excitation and nulled response). With one single capacitor, this is a 1st-order circuit. To determine the input impedance, I will install a test generator \$I_T\$ across the input node which will generate a test voltage \$V_T\$. The ratio of \$\frac{V_T}{I_T}\$ is the input impedance we want.
The key in solving these circuits is to rearrange the elements in a friendly form where writing equations is more obvious than with the original schematic diagram. The dc resistance is obtained for \$s=0\$ in which the capacitor is open-circuited:

I prefer to keep the open-loop gain of the op-amp which is pushed to infinity later on. SPICE determines the bias points and both are equal (original circuit and simplified version). The dc resistance is determined after a few equations:

It obviously goes to zero as \$A_{OL}\$ approaches infinity. Mathcad find 0.02 ohm, in line with the SPICE operating point.
Now, we turn the excitation off - \$I_T = 0\$ - and open circuit the stimulus. The exercise now consist in finding the resistance \$R\$ offered by the capacitor connecting terminals. The new circuit is here:

A test current source is installed across the capacitor connecting terminals and the resistance is a few equations away:

As you can see, provided the open-loop gain is high enough, the pole is located at a very high frequency and can thus be neglected.
For the zero, we find the resistance \$R\$ when the response \$V_T\$ is nulled. A nulled current source is a degenerate case and can be replaced by a short circuit. The new circuit is shown below:

The zero is obtained after a few equations:

We now have all the pieces to assemble the transfer function:
\$Z_{in}(s)=R_0\frac{1+\frac{s}{\omega_z}}{1+\frac{s}{\omega_p}}\$ if we now neglect the high-frequency pole, we have: \$Z_{in}(s)\approx R_0(1+\frac{s}{\omega_z})\$. The impedance of an inductor affected by ohmic loss is defined as: \$Z_L(s)=r_L+sL=r_L(1+s\frac{L}{r_L})=r_L(1+\frac{s}{\omega_z})\$. From there, we can determine the equivalent inductance value brought by the GIC circuit: \$L_{eq}=\frac{R_0}{\omega_z}\$. The Mathcad sheet is shown below:

The equivalent inductance created by all resistors equal to 1 \$k\Omega\$ is 100 mH. The dc resistance is 20 mohms (-34 dB\$\Omega\$). The final plot is here:

A quick SPICE simulation confirms the analysis is correct:

The input impedance is swept by installing a 1-A ac stimulus across the input node. The collected voltage is therefore the image of the impedance you want.