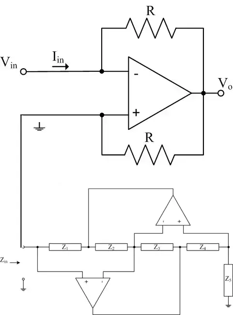
A General Impedance Converter (GIC) looks like this:

Source: http://www.ee.nmt.edu/~wedeward/EE212L/SP15/ImpedanceConverters.html
Where
$$Z_{tot} = \frac{Z_1*Z_3*Z_5}{Z_2*Z_4}$$
But I need a circuit that gives me \$ \frac{1}{Z_{tot}}\$
How would I create a circuit that gives me \$ \frac{1}{Z_{tot}}\$ for Zin?
(Or something like \$ Z_{in} = \frac{Z_2*Z_4}{Z_1*Z_3*Z_5}\$)
The problem is if I put an inductor on this circuit, I can't select a series of impedance's Z_1 through Z_5 using only resistors and capacitors to end up with a combined impedance of 1.
