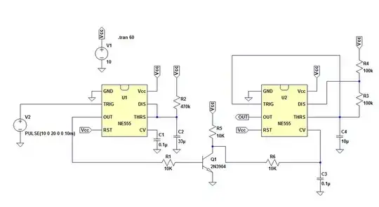
I am doing a project that requires me to have a small compact system using a DC power battery source, but I also require it to switch between two frequency signals, such that the LEDs stay in one for a few seconds after pressing a button, but then switch back to a "default" signal until it is pressed again.
I have looked at using a 555 or a thyristor circuit, but I can't figure out how to switch between the two signals, much less for it to switch back a default one after a certain amount of time.
I am looking to do this entirely with an analogue circuit, or at least not using software. I need to do it that way only.

